Hochwertige und sehr benutzerfreundliche, selbstgetriggerte elektronische Magnetzündung ohne Pickup und ohne CDI (kontaktlos). Passt zu Puch, Sachs, Zündapp, Kreidler, Tomos, Zweirad Union u.a. Passt für Modelle mit und ohne Gebläse.
Das Set wird komplett wie auf dem Bild geliefert.“
Kann Bosch, Iskra, Ducati, Motoplat, Stefa u.a. Zündsysteme ersetzen!
Technische Daten:
- Schwungrad, Außendurchmesser: 116 mm.
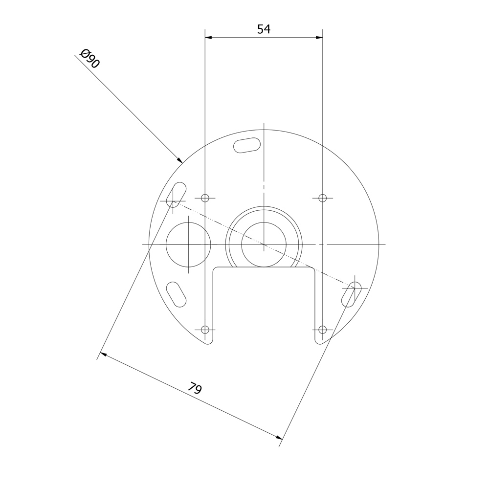
- Statorplatte, Außendurchmesser: Ø = ca. 90 mm
- Statorplatte, Bolzenabstand c-c: ca. 79 mm (4 Befestigungsbohrungen)
- Primär/Beleuchtungsspule, Bolzenabstand c-c: ca. 54 mm
- Beleuchtungsspule: 12V-43W (für den Einsatz mit Spannungsregler vorgesehen)
- Drehrichtung: Gegen den Uhrzeigersinn (linke Seite) Im Uhrzeigersinn (rechte Seite)
- Für Kurbelwelle mit Konizität: K1:5 (20%) und Eingangsdurchmesser Ø = 12 mm
- Befestigungslöcher für Lüfterrad: 4xM5 sowie 3xM6
- Schwungradabzieher: Gewinde M26x1,5 (siehe NTS Art.-Nr.: 01-37-401)
Schaltplan für die Montage liegt bei!
Empfohlene Glühlampen/Signalhorn:
Scheinwerfer: 12V-35/35W
Bremslicht: 12V-5W
Rücklicht: 12V-3~4W
Hupe: 12V/AC



