Ersetzt Bosch-System für: Puch Magnum X
Technische Daten:
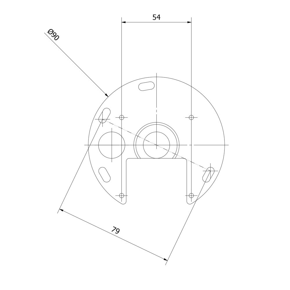
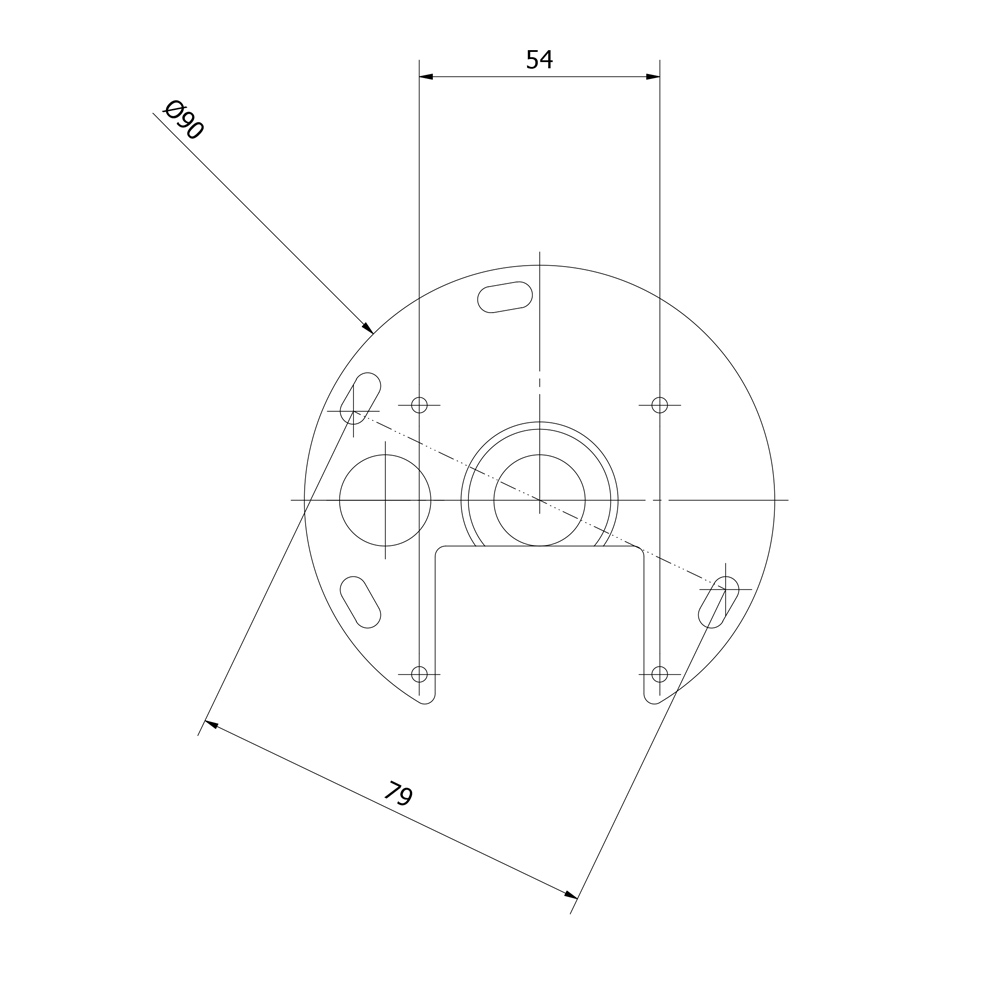
- Statorplatte, Außendurchmesser: Ø= ca. 90mm
- Statorplatte, Bolzenabstand c-c: ca. 79mm (4st Befestigungslöcher)
- Zündanker/Lichtanker, Bolzenabstand: c-c: ca.54mm
- Lichtspule: Keine Licht
- Zündanker: Extern
- Kegel, Schwungrad: 1:5(20%) (Eingangsdurchmesser Kurbelwelle: 12 mm)
- Drehrichtung: Im Uhrzeigersinn(auf der linken Seite)
- Abzieher Schwungrad: Gewinde M26x1,5 (siehe NTS Art.Nr: 01-37-401)



