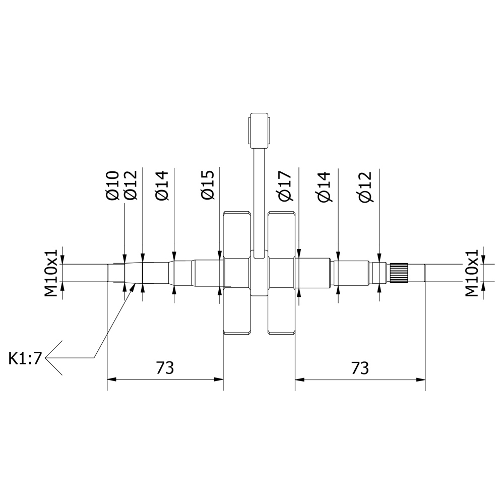
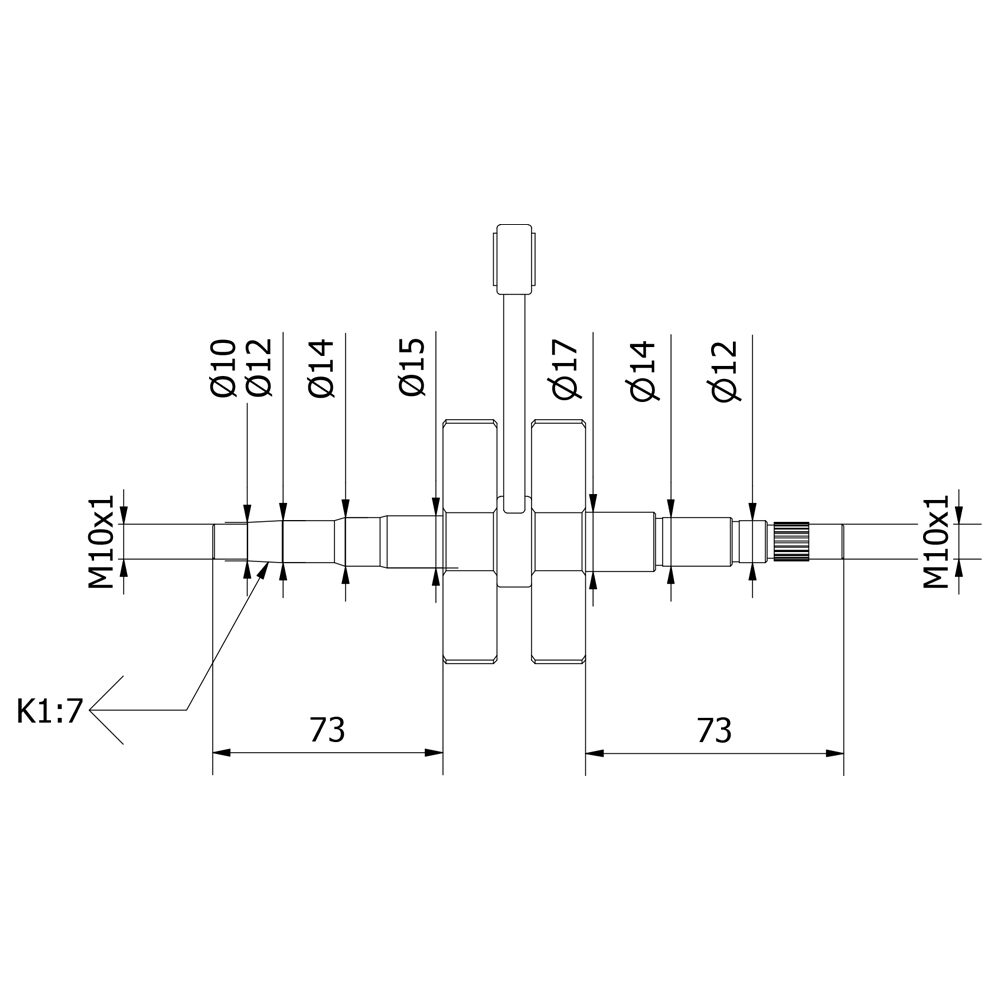
Hochwertige Kurbelwelle, endgeprüft und fein kalibriert (ausgerichtet) in Schweden
- Richtung (Gleichgewicht zwischen den Hälften, Bild 3): Max. Wurf (Auslauf) = <0,03/Seite.
Im Gewichtsverhältnis sehr gut ausgewuchtete Kurbelwelle für optimale Funktion und sehr geringe Vibration, insbesondere in Verbindung mit NTS-Kolben.
Lieferung komplett mit Nadellager für den Kolbenbolzen.



